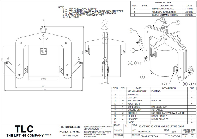
- Armature Lifting Clamp
- Capacity - 1500kg
- Tare: 110kg
- TLC 00345
-
Height Safety
-
HEIGHT SAFETY
-
HARNESSES
-
RESCUE AND RECOVERY
-
Special Product
-
-
Material Handling Equipment
-
Tools & Accessories
-
Lifting Equipment
-
Lifting Equipment
- Alloy Fittings
- Bog Strops / Snatch Straps
- Chains
- Eye bolts and Nuts
- Freight 70 & Accessories
- Girder Trolleys & Clamps
- Grid Mesh
- Lifting Points
- Manual and Powered Hoists
- Plate Lifting Clamps
- Polyester Slings
- Ratchet Straps
- Sheaves and Snatch Blocks
- Stainless Steel Products
- Synthetic and Fibre Ropes
- Turnbuckles / Rigging Screws
- Wire Rope Accessories
- Wire Rope Suppliers
-
MAGNETS
-
SHACKLES
-
-
Metal Fabrication
-
Belting And Conveyor Equipment
-
Counterweight Beam
-
EastWest Engineering Range
-
East West Engineering Range
- Bulk Bag Handling
- Concrete Equipment
- Crane and Overhead Lifting
- Diesel Storage & Transfer Tanks
- Drum Lifting & Rotating
- Drum Storage Systems
- Forklift Container Ramps
- Forklift Dirt Buckets
- Forklift Equipment & Accessories
- Gas Cylinder Cages and Trolleys
- Hydraulic Forklift Attachments
- Lifters, Tilters & Turntables
- Pallet Inverter
- Storage Cages, Boxes and Trolleys
- Telehandler, Loader & Tractor
- Tow Tractors & Trailers
- Waste and Storage Bins
-
-
Fallshaw Wheels and Castors
-
Sky Hook
-
Projects
- Armature Lifting Clamp
- Capacity - 1500kg
- Tare: 110kg
- TLC 00345


